智慧用电
助力节能增效
关于劲威
公司简介
生产环境
产品中心
接触器
继电器
应用场景
新闻资讯
公司新闻
行业动态
服务支持
常见问题
资源中心
联系我们
联系方式
在线留言
电子样本
关于劲威
公司简介
生产环境
产品中心
接触器
继电器
应用场景
电机起动控制
金属热处理
光伏太阳能
新能源锂电
机械加工
自动化生产线
新闻资讯
公司新闻
行业动态
服务支持
常见问题
资源中心
联系我们
联系方式
在线留言
搜索
搜索
热门关键词:
您可能在寻找 ..
关于劲威
公司简介
生产环境
产品中心
接触器
继电器
应用场景
电机起动控制
金属热处理
光伏太阳能
新能源锂电
机械加工
自动化生产线
关注劲威电气:
联系热线
0577-62826009
立即咨询
关闭
>
首页
>>
产品中心
>>
接触器
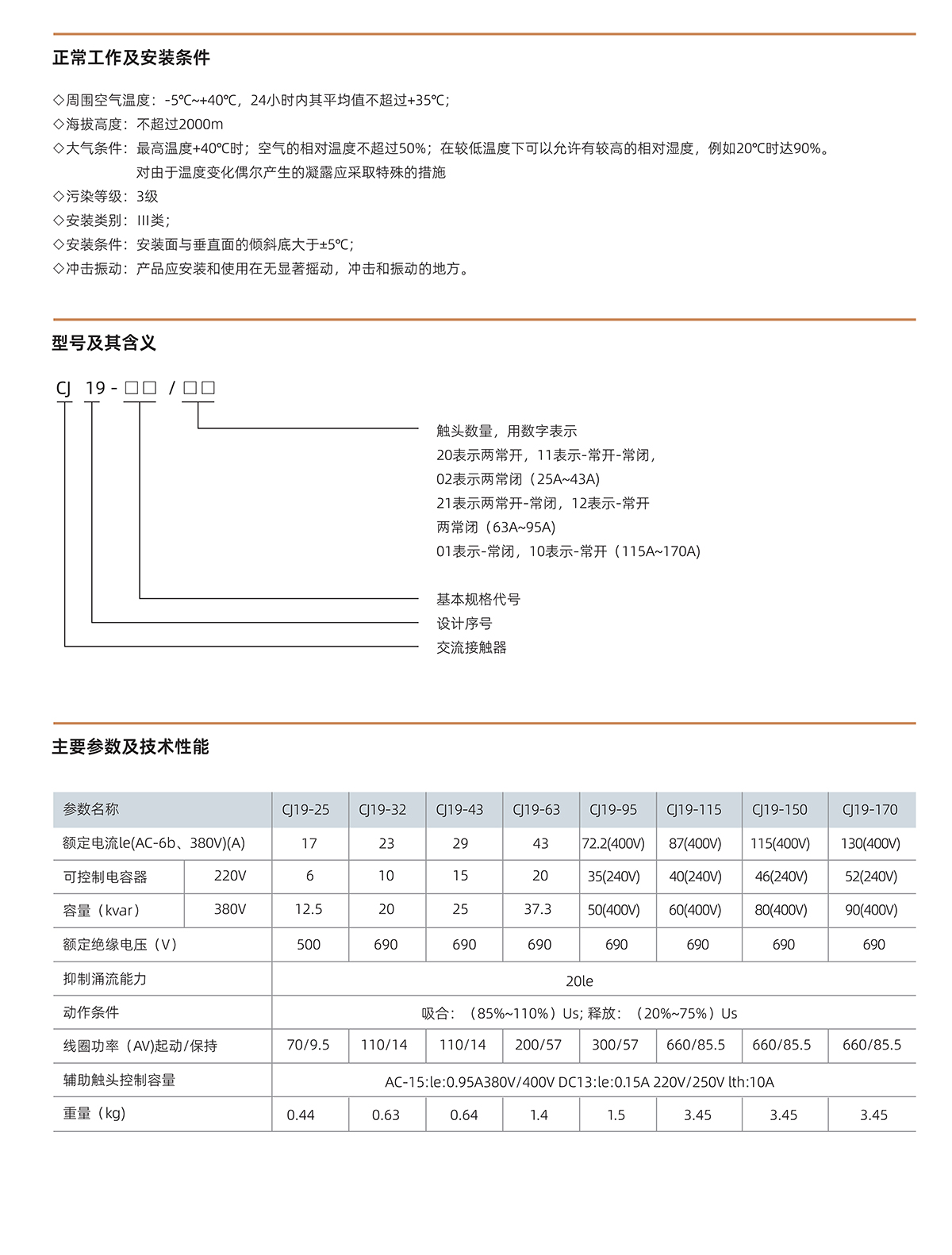
CJ19系列切换电容器接触器
产品概述:
浙江劲威电气科技有限公司系一家集研发设计、生产制造、仓储运输及销售服务为一体的多元化、全方位发展型企业,致力于为社会及用户提供具有先进技术及高性能特点的接触器、热过载继电器、磁力起动器、切换电容器接触器等低压电器系列产品,在市场及行业内均获得高度认可与信赖。
产品详情
产品参数
栏目1
内容1
栏目2
内容2
栏目3
内容3
栏目4
内容4
栏目5
内容5
栏目6
内容6
栏目7
内容7.1
内容7.2
栏目8
内容8
推荐产品
CJ20系列交流接触器
了解详情 >
CJ40系列交流接触器
了解详情 >
CJX1系列交流接触器
了解详情 >
CJX2系列交流接触器
了解详情 >
CJ19系列切换电容器接触器
了解详情 >
联系我们
联系电话:
0577-62826009
在线沟通:
立即咨询
查看更多联系、反馈方式